加入购物车成功!
介绍:
产品简介
WSS系列双金属温度计是一种测量中低温度的现场检测仪表。双金属温度计可以直接测量各种生产过程中的-80℃~+500℃范围内液体、蒸汽和气体介质温度。
主要特点
现场显示温度,直观方便;安全可靠,使用寿命长;
多种结构形式,可满足不同要求。
工作原理
双金属温度计是基于绕制成环性弯曲状的双金属片组成。一端受热膨胀时,带动指针旋转,工作仪表便显示出所应的温度值。
技术参数
执行标准
JB/T8803-1998 GB3836-83
其他参数
标度盘公称直径:60,100,150
精度等级:(1.0),1.5
热响应时间:≤40S
防护等级:IP55
角度调整误差:角度调整误差应不超过其量程的1.0%
回差:双金属温度计回差应不大于基本误差限的******值
重复性:双金属温度计重复性极限范围应不大于基本误差限******值的1/2
测温范围
测量范围℃ | 适用范围 | |
工业、商业 | 实验室、小型 | |
-80~+40 | √ | √ |
-40~+80 | √ | √ |
0~50 | √ | √ |
0~100 | √ | √ |
0~150 | √ | √ |
0~200 | √ | √ |
0~300 | √ | √ |
0~400 | √ | √ |
0~500 | √ | √ |
正常工作天气条件
工作场所 | 温度℃ | 相对湿度% |
掩蔽场所 | -25~+55 | 5~100 |
户外场所 | -40~+85 | 5~100 |
测量端形式

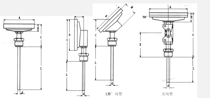
外形及尺寸
形式 | A | B | C | E | L | d |
轴向型 | 65 | 23 | 73 | - | 75 100 150 200 300 400 500 750 1000 | Φ6 Φ8 Φ10 |
105 | 23 | 73 | - | |||
155 | 23 | 73 | - | |||
径向型 | 65 | 50 | 110 | 34 | ||
105 | 50 | 110 | 34 | |||
105 | 50 | 110 | 34 | |||
135°向型 | 105 | 23 | 85 | - | ||
155 | 23 | 85 | - | |||
万向型 | 105 | 23 | 178 | 120 | ||
155 | 23 | 178 | 120 |

安装固定形式

卡套螺纹接头

卡套法兰接头
D | D0 | D1 | SW | d0 | d |
Φ60 | Φ42 | Φ24 | Φ22 | Φ9 | Φ8 Φ10 |
固定法兰
D | D1 | D2 | H | d0 | d |
Φ105 | Φ75 | Φ55 | Φ16 | Φ14 | Φ8 Φ10 |
备注:可提供ANSI、JB、HG等标准法兰。
选型编码
SC- | 三畅仪表公司标识 | ||||||||||||
| 系列号 | WSS | 双金属温度计 | |||||||||||
| 表盘公称直径 | -3 | Φ60 | |||||||||||
| -4 | Φ100 | ||||||||||||
| -5 | Φ150 | ||||||||||||
| 表盘形式 | 0 | 轴向(直型) | |||||||||||
| 1 | 径向(角型) | ||||||||||||
| 2 | 135°向(钝角型) | ||||||||||||
| 8 | 万向(可调角型) | ||||||||||||
| 安装固定形式 | 0 | 无固定装置 | |||||||||||
| 1 | 可动外螺纹 | ||||||||||||
| 2 | 可动内螺纹 | ||||||||||||
| 3 | 固定螺纹 | ||||||||||||
| 4 | 固定法兰 | ||||||||||||
| 5 | 卡套螺纹 | ||||||||||||
| 6 | 卡套法兰 | ||||||||||||
| 保护形式 | - | 普通型 | |||||||||||
| W | 防护型 | ||||||||||||
| F | 防腐型 | ||||||||||||
型号及规格
轴向型双金属温度计
型号 | 测温范围 | 精度等级 | 保护管材料 | 规格 | 安装固定形式 | |
D | L | |||||
WSS-330 | -80~+40 -40~+80 0~50 0~100 0~150 0~200 0~300 | 1.5 | 1Cr18Ni9Ti 304 316 316L 哈氏C-276 | Φ60 | 75 100 150 200 300 400 500 750 1000 | 无固定装置 |
WSS-440 | Φ100 | |||||
WSS-500 | Φ150 | |||||
WSS-301 | Φ60 | 可动外螺纹 | ||||
WSS-401 | Φ100 | |||||
WSS-501 | Φ150 | |||||
WSS-302 | Φ60 | 可动内螺纹 | ||||
WSS-402 | Φ100 | |||||
WSS-502 | Φ150 | |||||
WSS-303 | Φ60 | 固定螺纹 | ||||
WSS-403 | Φ100 | |||||
WSS-503 | Φ150 | |||||
WSS-304 | Φ60 | 固定法兰 | ||||
WSS-404 | Φ100 | |||||
WSS-504 | Φ150 | |||||
WSS-305 | Φ60 | 卡套螺纹 | ||||
WSS-405 | Φ100 | |||||
WSS-505 | Φ150 | |||||
WSS-306 | Φ60 | |||||
WSS-406 | Φ100 | 卡套法兰 | ||||
WSS-506 | Φ150 | |||||
径向型双金属温度计
型号 | 测温范围 | 精度等级 | 保护管材料 | 规格 | 安装固定形式 | |
D | L | |||||
WSS-310 | -80~+40 -40~+80 0~50 0~100 0~150 0~200 0~300 0~400 0~500 | 1.5 | 1Cr18Ni9Ti 304 316 316L 哈氏C-276 | Φ60 | 75 100 150 200 300 400 500 750 1000 | 无固定装置 |
WSS-410 | Φ100 | |||||
WSS-510 | Φ150 | |||||
WSS-311 | Φ60 | 可动外螺纹 | ||||
WSS-411 | Φ100 | |||||
WSS-511 | Φ150 | |||||
WSS-312 | Φ60 | 可动内螺纹 | ||||
WSS-412 | Φ100 | |||||
WSS-512 | Φ150 | |||||
WSS-313 | Φ60 | 固定螺纹 | ||||
WSS-413 | Φ100 | |||||
WSS-513 | Φ150 | |||||
WSS-314 | Φ60 | 固定法兰 | ||||
WSS-414 | Φ100 | |||||
WSS-514 | Φ150 | |||||
WSS-315 | Φ60 | 卡套螺纹 | ||||
WSS-415 | Φ100 | |||||
WSS-515 | Φ150 | |||||
WSS-316 | Φ60 | |||||
WSS-416 | Φ100 | 卡套法兰 | ||||
WSS-516 | Φ150 | |||||
135°向型双金属温度计
型号 | 测温范围 | 精度等级 | 保护管材料 | 规格 | 安装固定形式 | |
D | L | |||||
WSS-420 | -80~+40 -40~+80 0~50 0~100 0~150 0~200 0~300 0~400 0~500 | 1.5 | 1Cr18Ni9Ti 304 316 316L 哈氏C-276 | Φ100 | 75 100 150 200 300 400 500 750 1000 | 无固定装置 |
WSS-520 | Φ150 | |||||
WSS-421 | Φ100 | 可动外螺纹 | ||||
WSS-521 | Φ150 | |||||
WSS-422 | Φ100 | 可动内螺纹 | ||||
WSS-522 | Φ150 | |||||
WSS-423 | Φ100 | 固定螺纹 | ||||
WSS-523 | Φ150 | |||||
WSS-424 | Φ100 | 固定法兰 | ||||
WSS-524 | Φ150 | |||||
WSS-425 | Φ100 | 卡套螺纹 | ||||
WSS-525 | Φ150 | |||||
WSS-426 | Φ100 | 卡套法兰 | ||||
WSS-526 | Φ150 | |||||
万向型双金属温度计
型号 | 测温范围 | 精度等级 | 保护管材料 | 规格 | 安装固定形式 | |
D | L | |||||
WSS-480 | -80~+40 -40~+80 0~50 0~100 0~150 0~200 0~300 0~400 0~500 | 1.5 | 1Cr18Ni9Ti 304 316 316L 哈氏C-276 | Φ100 | 75 100 150 200 300 400 500 750 1000 | 无固定装置 |
WSS-580 | Φ150 | |||||
WSS-481 | Φ100 | 可动外螺纹 | ||||
WSS-581 | Φ150 | |||||
WSS-482 | Φ100 | 可动内螺纹 | ||||
WSS-582 | Φ150 | |||||
WSS-483 | Φ100 | 固定螺纹 | ||||
WSS-583 | Φ150 | |||||
WSS-484 | Φ100 | 固定法兰 | ||||
WSS-584 | Φ150 | |||||
WSS-485 | Φ100 | 卡套螺纹 | ||||
WSS-585 | Φ150 | |||||
WSS-486 | Φ100 | 卡套法兰 | ||||
WSS-586 | Φ150 | |||||
上一篇:耐震双金属温度计
下一篇:无









